Web orders only - FREE shipping via UPS Ground (continental US only, motor freight excluded)
 
 
 
 
  BRAKE PRODUCTS
48,273 part numbers: Brake Wheels & Discontinued Brake Parts
  GEMCO
14,406 part numbers: Motion Control Products
 
  GLEASON
18,129 part numbers: Cable & Hose Management Systems
  AERO-MOTIVE
3,231 part numbers: Cable & Hose Management Systems
 
 
 
 
 
  CUTLER-HAMMER
929 part numbers: Electrical Control Products
  HUBBELL
8,280 part numbers: Electrical Control Products
    RENOLD
410 part numbers: Mechanical Power Transmission Products
 
AUTOMATIC QUANTITY DISCOUNTS
 
BPI's web orders and web site generated PDF quotations now support quantity discount of up to 10%.
 
Quotation is valid for 30 days and can be immediately converted into an order.

 
 
CREDIT TERMS CHANGES
 
  1. Any account with invoices outstanding for more than 60 days will automatically be put on a credit hold.
  2. New customer payment terms are "Credit Card" only, full pre-pay. Credit Card information needs recorded at the time of order. Terms can be re-negotiated, upon successful payment.
 
Web: www.BrakeProducts.com Email: sales@BrakeProducts.com Phone: (888) 861-8777
 
Replacement Brake Parts
 
INDUSTRIAL BRAKE REPLACEMENT PARTS  
 
EC&M & SQUARE-D:
 
  •  EC&M No. 5 Type WB Brake, Folio 2
  •  EC&M No. 10 Type WB Brake, Folio 2
  •  EC&M No. 20 Type WB Brake, Folio 2
  •  EC&M No. 22 Type WB Brake, Folio 1
  •  EC&M No. 30 Type WB Brake, Folio 2
  •  EC&M No. 40 Type WB Brake, Folio 2
  •  EC&M No. 50 Type WB Brake, Folio 2
  •  Class 5010 8" Type WB Brake, Folio 5, DC Operated
  •  Class 5010 10" Type WB Brake, Folio 5
  •  Class 5010 13" Type WB Brake, Folio 5
  •  Class 5010 16" Type WB Brake, Folio 5
  •  Class 5010 19" Type WB Brake, For DC Operation
  •  Class 5010 23" Type WB Brake, Folio 5
  •  Class 5010 30" Type WB Brake, Folio 6, DC Operated
  •  Class 5010 8" Type F Series A
  •  Class 5010 10" Type F Series A
  •  Class 5010 13" Type F Series A
  •  Class 5010 16" Type F Series A
  •  Class 5010 19" Type F Series A
  •  Class 5010 23" Type F Series A
  •  Class 5010 30" Type F Series A
  •  Class 5010 10" Type F Series B
  •  Class 5010 13" Type F Series B
  •  Class 5010 16" Type F Series B
  •  Class 5010 23" Type F Series B
  •  Class 5060 13" Type AT Adjustable Torque Brake
  •  Class 5060 16" Type AT Adjustable Torque Brake
 
CUTLER-HAMMER:
 
  •  No. 503 8" Type M Brake
  •  No. 503 10" Type M Brake
  •  No. 503 14" Type M Brake
  •  No. 503 18" Type M Brake
  •  No. 503 21" Type M Brake
  •  No. 503 24" Type M Brake
  •  No. 503 30" Type M Brake
  •  No. 505 8" D-C Magnetic Brake
  •  No. 505 10" D-C Magnetic Brake
  •  No. 505 13" D-C Magnetic Brake
  •  No. 505 16" D-C Magnetic Brake
  •  No. 505 19" D-C Magnetic Brake
  •  No. 505 23" D-C Magnetic Brake
  •  No. 505 30" D-C Magnetic Brake
 
CLARK CONTROL:
 
  •  106 TYPE B DC MAGNETIC BRAKES: 8" DC MAGNETIC BRAKE
  •  106 TYPE B DC MAGNETIC BRAKES: 13" DC MAGNETIC BRAKE
  •  106 TYPE B DC MAGNETIC BRAKES: 16" DC MAGNETIC BRAKE
  •  106 TYPE B DC MAGNETIC BRAKES: 19" DC MAGNETIC BRAKE
 
 
WESTINGHOUSE:
 
  •  Westinghouse Type DI 062-F Magnetic Brake
  •  Westinghouse Type DI 104-F Magnetic Brake
  •  Westinghouse Type DI 135-F Magnetic Brake
  •  Westinghouse Type DI 167-F Magnetic Brake
  •  Westinghouse Type DI 198-F Magnetic Brake
  •  Westinghouse Type DI 239-F Magnetic Brake
 
GEMCO:
 
  •  Gemco Type CB15 4.5" Magnetic Shoe Brake
  •  Gemco Type CB35 5.5" Magnetic Shoe Brake
  •  Gemco Type CB75 7.0" Magnetic Shoe Brake
  •  Gemco Type CB110 7.0" Magnetic Shoe Brake
  •  Gemco Type CB160 10.0" Magnetic Shoe Brake
  •  Gemco Type TM43 4.5" Magnetic Shoe Brake
  •  Gemco Type TM63 6.0" Magnetic Shoe Brake
  •  Gemco Type TM83 8.0" Magnetic Shoe Brake
  •  Gemco Type TM1035 10.0" Magnetic Shoe Brake
  •  Gemco Type TM1355 13.0" Magnetic Shoe Brake
  •  Gemco Type TM1665 16.0" Magnetic Shoe Brake
  •  Gemco Type TM1985 19.0" Magnetic Shoe Brake
  •  Gemco Type TM2311 23.0" Magnetic Shoe Brake
  •  Gemco Type TM3014 30.0" Magnetic Shoe Brake
  •  Gemco Electro Thrust (Model ET8) Shoe Brake
  •  Gemco Electro Thrust (Model ET10) Shoe Brake
  •  Gemco Electro Thrust (Model ET13) Shoe Brake
  •  Gemco Electro Thrust (Model ET16) Shoe Brake
  •  Gemco Electro Thrust (Model ET19) Shoe Brake
  •  Gemco Electro Thrust (Model ET23) Shoe Brake
  •  Gemco Hydraulic (Type H) Shoe Brake - 6x3 (J023020)
  •  Gemco Hydraulic (Type H) Shoe Brake - 8x3 (J002779)
  •  Gemco Hydraulic (Type H) Shoe Brake - 10x4 (J002926)
  •  Gemco Hydraulic (Type H) Shoe Brake - 14x6 (J002929)
  •  Gemco Hydraulic (Type H) Shoe Brake - 18x8 (J002932)
  •  Gemco Hydraulic (Type HM) Shoe Brake - 6x3 (J024579)
  •  Gemco Hydraulic (Type HM) Shoe Brake - 8x3 (J003205)
  •  Gemco Hydraulic (Type HM) Shoe Brake - 10x4 (J034780)
  •  Gemco Hydraulic (Type HM) Shoe Brake - 14x6 (J034735)
  •  Gemco Hydraulic (Type HM) Shoe Brake - 18x8 (J040065)
 
MONDEL:
 
  •  Mondel 300M AIST Mill Duty Shoe Brakes - 16"
  •  Mondel MBT/E Electric Shoe Brakes - 13"
 
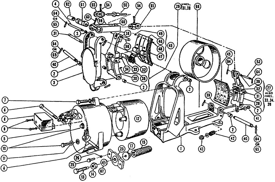
CLARK CONTROL
INDUSTRIAL BRAKE REPLACEMENT PARTS
CLARK 19" DC MAGNETIC BRAKE
 

 
  ITEM     OEM PART     DESCRIPTION  
1
2
3
4
5
6
7
8
9
10
11
13
14
15
17
23
25
26
27
28
29
30
31
32
33
34
38
39
40
41
42
43
45
46
47
48
49
50
51
52
54
55
56
59
60
61
63
64
67
65
C106-200712A
A106-200687
A106-200657A
T103-26
D106-200650
T121-229
T121-175
B106-200696
T121-13
T121-206
T2-389
A106-230139-4
T115-89
A106-200683
A106-230138-5
A106-200715
T121-136
T155-20
A106-200664A
A106-200665A
A106-200693A
A106-200694A
A106-200709A
B106-200669
A106-200688
T143-2
A106-200686
T233-1
T103-28
T121-255
T215-3
T281-4
A106-200680A
A106-200704A
C106-200682
T122-57
T281-2
B106-200671A
A106-200718A
T103-27
T121-160
A106-200720A
A106-194815-2
B106-200717
T152-23
A106-200677
T121-242
A106-65072
T282-4
A106-79064
  Frame
  Bushing
  Armature
  Bearing Pin
  Magnet Case
  Magnet Case Bolts (Bottom)
  Magnet Case Bolts (Top)
  Terminal Shield
  Terminal Shield Bolts
  Magnet Coil Bolts
  Washer
  Torque Adj. Screw
  Nut
  Torque Spring
  Spring Seat
  Pressure Plate
  Bolt for Pressure Plate
  Washer
  Outer Arm, Complete
  Assembled Outer Arm
  Inner Arm, Complete
  Inner Arm Assembled
  Shoe Clamp Shaft & Stop Pin
  Shoe Clamp Spring
  Shoe Clamp Cam
  Shoe Clam Cam Shaft Screw
  Bushing
  Alemite Fittings
  Bearing Pin, Lower Arm
  Bolt, Outer Arm Release
  Release Spring, Outer Arm
  Lock Nut
  Assembled Brake Shoe & Lining
  Broke Shoe less Lining
  Shoe Lining
  Shoe Lining Screws
  Lock Nut
  Adjusting Bar
  Outer Bar Eye
  Bearing Pia, Outer Bar Eye
  Bar Eye Clamp Bolt
  Inner Bar Eye
  Bearing Pin, Inner Bar Eye
  Equalizer Yoke
  Gauge Pin
  Eccentric Bushing
  Lock Bolt, Equalizer Yuke
  Retainer, Bearing Pin
  Spring Washer
  Retainer, Bearing Pin
 
Secure Online Order

 
Secure Online Order
 
48,273 part numbers available for
online order
 
Shopping Cart
Empty
Checkout is secure
 

Products Available From Stock
Free shipping via UPS Ground (continental US only, motor freight excluded)
 

Product MSDS Information
Web Site Features
 
Part Number Lookup
 
Enter at least three characters of a part number to retrive the list of all documents (such as specifications, manuals, guides, drawings, etc.) from our web site, referencing this part number:
 
Part Number:

 
Search scope:
This web site only
 
Formal PDF Quotation
 
To obtain an instant formal printable PDF quotation use shopping cart and select "View PDF Quote", instead of checking out. Click here for instructions.
 
Your shopping cart is kept intact and you can still check out at a later time.
About Brake Products, Inc.
 
About Brake Products, Inc.
 
Brake Products, Inc. is more than an authorized distributor, we are real stocking distributor with inventory in excess of 2 million dollars. BPI has thousands of parts in our stock to protect your business with same day shipments till almost 7PM. With over 30 years of experience in the material handling business we are ready to assist you in making the right decisions for efficient motion control.
 
Brake Products specializes in the machining of Brake Wheels for AC & DC Industrial Brakes. We utilized CAD designed & engineered products with CNC machined tools to produce the "Perfect Brake Wheel" these wheels are not limited in design by a previously designed castings for universal use. BPI is an OEM brake wheel manufacturer for Crane Brake Manufacturers. Though we machine all the brake wheel surfaces for balance both static & dynamic balancing to your specification is available.
 
Please spend some time at our web site, an abundance of product information and CAD style PDF drawings are available to download & share. Pricing and a shopping cart for automated order entry can be done here. Please call with any questions. We would appreciate the opportunity to speak with you and provide a formal quotation.
 
Order Status Lookup by Invoice/Web Order Number
 
 
BPI Invoice/Web Order #   
 
Invoice number is all-numeric, 5-7 digits, web order is alpha-numeric. Only recent invoices are available. Web orders may take a day or two to have an invoice created.
 
 
Ductile Iron Brake Wheels

Ductile Iron Brake Wheels
 
We manufacture high-quality custom and standard brake wheels from 4-1/2" to 30" diameter, cast from the finest ASTM and ASME specified 80-60-03 Ductile Iron to provide maximum service and a high coefficient of friction. Machining is done on CNC equipment using solid dura bar or iron castings.
 
Brake wheels for all types of electric and hydraulically actuated brakes. Many wheels available for same day shipment; both pilot bore and finished bored for the 600 and 800 series mill motors.
 
Replacement Brake Parts

Replacement Brake Parts
 
Easily locate and purchase hard to find replacement parts for the following most popular brake assemblies:
 
  •  EC&M
  •  SQUARE-D
  •  WESTINGHOUSE
  •  CUTLER-HAMMER
  •  GEMCO
  •  MONDEL
 
Brake assembly diagrams and selection tables, backed by our extensive replacement brake parts stock, makes it as easy as "1-2-3".
 
OEM Products

 
Brake Products is proud to maintain excellent decades-long distrubutor relationships with industry-leading Original Equipment Manufacturers (OEM). We keep most popular items in stock to improve delivery times. These products are available to quote and purchase 24/7 on our e-commerce web sites, along with a multitude of installation and support information:
 
  •  Gemco (Ametek)
  •  Gleason Reel
  •  Aero-Motive
  •  Cutler-Hammer (Eaton)
  •  Hubbell
  •  SuperBolt
  •  Telemotive (Magnetek)
  •  Renold
  •  Stearns
 
For online purchases, shipping is free within continental U.S.
Electrical Contactors Parts

Electrical Contactors Parts
 
Easily locate and purchase hard to find replacement parts for the following most popular electrical contactors:
 
  •  Clark Control
 
Contactors assembly diagrams and selection tables, backed by our extensive replacement contactors parts stock, makes it as easy as "1-2-3".
 
 
Non-Asbestos Overhead Crane Linings from Scan-Pac

Non-Asbestos Overhead Crane Linings From Scan-Pac
 
The industrial marketplace has a variety of brake and clutch requirements for overhead cranes. Scan-Pac's technical and application expertise can recommend and furnish the proper material to meet the specific need your operation demands. Numerous specific parts have been molded or machined to meet the unique requirements of a special application. Let Scan-Pac solve those vexing problems in your day-to-day production.
 
Scan-Pac's RF38 material has been accepted as a well proven material for these applications and has been in use for several decades.
 
Scan-Pac Products Available From Stock
 
Non-OEM Brake Replacement Parts
 
 
High quality, aftermarket, non-OEM, brake replacement parts
 
 
Non-OEM Brake Replacement Parts Available From Stock
 
 
Industrial Brakes and Brake Parts from Reuland

Industrial Brakes and Brake Parts from Reuland
 
Reuland offers a wide variety of brakes for various applications. Popular MagnaStop brake is a solenoid activated, spring set type brake. The MagnaStop brake is available in standard and dust-tight/waterproof enclosures in standard AC voltages. Torque ratings available range from (1.5-20) lb. Ft. The brake can be ordered as a traditional C-face mount or as a "double C-face" design. The MagnaStop can also be ordered as foot mounted design.
 
Reuland also offers a wide range of direct acting magnetic disc brakes. These brakes are also available as standard, dust-tight/waterproof, or marine duty enclosures. Torque ratings available vary from 1.5 to 1000 lb. Ft. Reuland brakes are defined as "fail safe". When power is applied to the brake, the brake releases the motor shaft. The load is then free to turn. When power is removed or lost, the brake grabs the motor shaft and stops the load. A brake release knob or flipper is provided to manually release the brake. Reuland offers both adjustable and non-adjustable designs. Reuland brakes are available in both single and three phase designs. Some brakes are available in DC power. Finally, Reuland offers it's "X" series brakes. These brakes are designed to mount to non-Reuland built motors.  
Industrial Brakes and Brake Parts from Wagner

Industrial Brakes and Brake Parts from Wagner
 
Our knowledge is second to none in regard to the old style Wagner brake. It may be worth knowing that Wagner Brake itself has not manufactured this style brake since 1981, yet we have never stopped supplying this brake to our large distributor network.
 
When it comes to air brake parts, our company roots go way back. We have an extensive library of air brake catalogs which has supplied our customers well over the years. Our knowledge is based mostly on the Bendix (formerly Bendix-Westinghouse), Wagner Air Brake, and the Midland Air Brake line.
 
 
This web site is owned and operated by Brake Products, Inc.
Brake Products, Inc.   16751 Hilltop Park Place
  Chagrin Falls, Ohio 44023
  Phone: (440) 543-7962
  Fax:     (440) 543-7963
  Web:   www.brakeproducts.com
  Email: sales@brakeproducts.com
  Federal ID #: 34-1473351
  CAGE Code: 1QTP8
  DUNS# 14-748-2392
  Download: Form W-9
Supplier of Industrial Brake Parts Since 1985
This web site: Owned and operated by Brake Products, Inc.
Designed and maintaned by Internet and Database Software, Inc.